LillyAllenDesigns
Jasminsmagicworld
BarkalooDesign
Artiststas
AdoDesignShop
JahusDesignShop
BundleAndBundleShop
HRA Design Shop
FaDigitalArtStudio
Enoddigitalart@gmail.com
Afrowomandigitalshop@gmail.com
OliviaCreatesArt
CowGirlArtShop
HowdyJamesFarm
TumblerDesignByShophia
RanaPortraitStore
CTS Tumbler Store
Zillion Design Studio
NancyCooperArtShop
Texasbilliewilder
MaliasSmallBusiness
Muks_Shop
Rvexell
NReaL
Oittostudio
Nteklah
Melllux
PUBLICTEES
Gear_desain
Erdiyan
C
lt2000 drive belt install how to Very well made.
Riding Mower 46 inch Deck Belt CMXGZAM501009 MTD Parts Very well made.
Craftsman LTS 2000 Riding Mower for Sale in Fort Worth TX OfferUp Very well made.
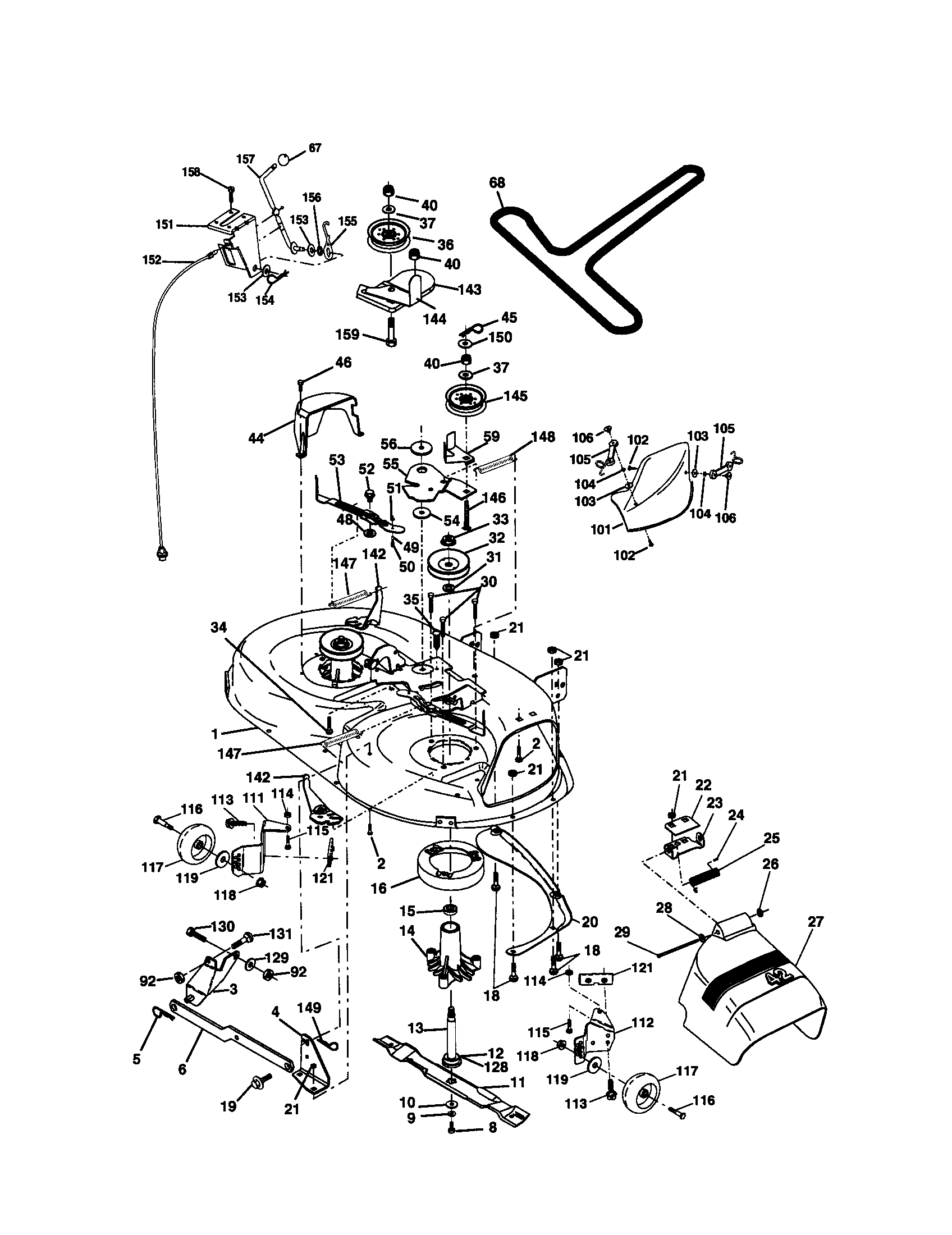
Official Craftsman 917271062 front engine lawn tractor parts Very well made.
Craftsman Lts2000 Lawn Tractor Fuel Tank Assembly 581289901 for Very well made.